Mẫu Lầu Tứ Giác Mái Đao Chồng Diêm Thi Công Theo Yêu Cầu Tại Lâm Đồng | 0889 889 663

Chủ đầu tư

Chị Quỳnh
Công năng

Công năng

Thờ cúng
Địa chỉ

Địa chỉ

Nam Đà – Lâm Đồng
Kinh phí

Kinh phí

1 tỷ
Loại hình

Loại hình

Lầu tứ giác
Đơn vị thiết kế

Đơn vị thiết kế

Nam Thành Phát
Diện tích

Diện tích

25m2
Năm thi công

Năm thi công

2025

Mục lục

Mẫu Lầu Tứ Giác Mái Đao Chồng Diêm Thi Công Theo Yêu Cầu Tại Lâm Đồng | 0889 889 663

Một tuyệt phẩm Lầu tứ giác mái đao chồng diêm được đội ngũ Nam Thành Phát thiết kế và thi công trọn gói, mang đậm dấu ấn cá nhân cho gia chủ tại Lâm Đồng. Giữ vững tôn chỉ kiến tạo những công trình gỗ cổ truyền đẳng cấp, mẫu lầu này được "đo ni đóng giày" theo yêu cầu riêng biệt của khách hàng và đang được đội ngũ thợ lành nghề gấp rút hoàn thiện để kịp đón Tết Nguyên Đán 2026.

Trong bài viết dưới đây, Nam Thành Phát xin mời quý vị cùng chiêm ngưỡng vẻ đẹp kiến trúc đặc biệt của công trình này nhé!

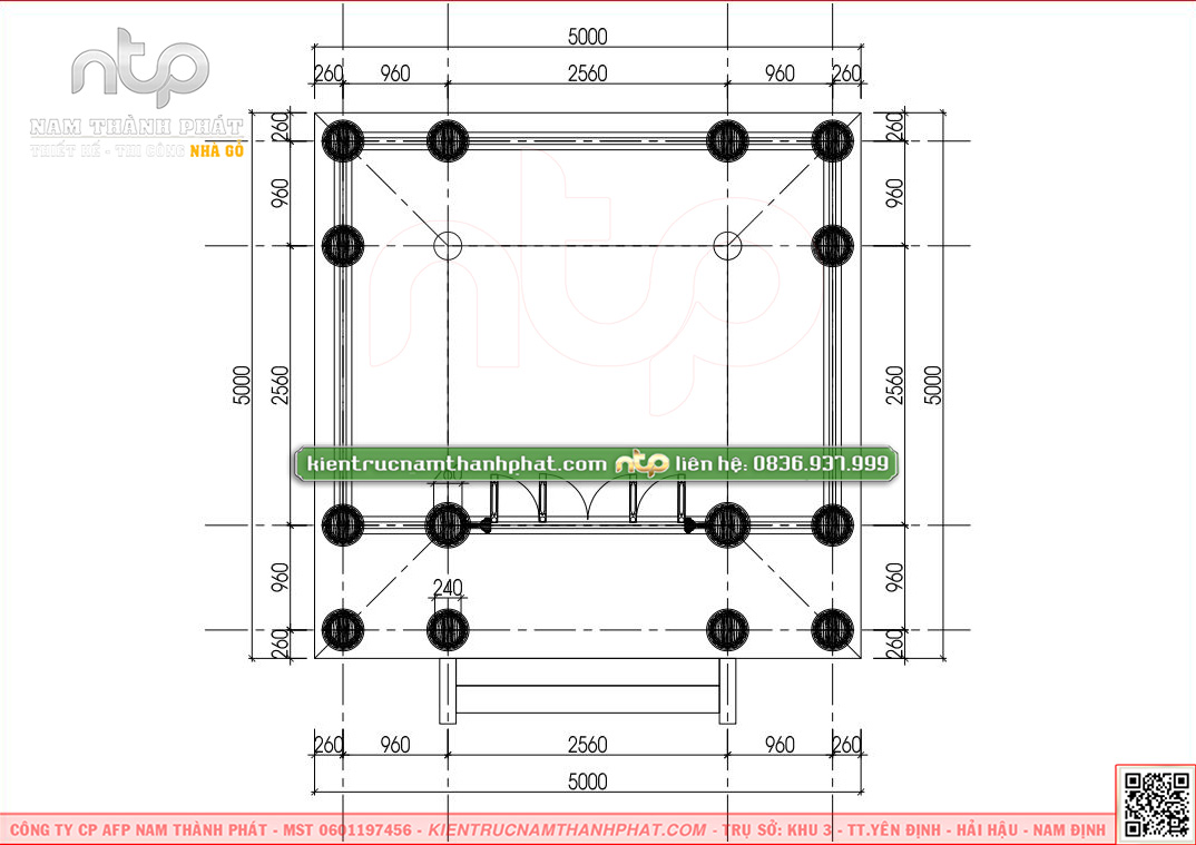
1. Thông số kỹ thuật Lầu tứ giác

Ngôi lầu tứ giác sở hữu diện tích 25m², với chiều ngang và chiều sâu đồng đều 5m, bước gian rộng 2,56m. Lầu được nâng đỡ bởi tổng cộng 14 cột đứng đất, gồm 10 cột quân đường kính 26cm và 4 cột hiên đường kính 24cm.

Kiến trúc vì kèo áp dụng kiểu chồng rường đấu sen, kết hợp mái chồng diêm bề thế, dáng quen thuộc trong truyền thống nhà gỗ Việt. Các cấu kiện được sắp xếp cân xứng, liên kết chắc chắn, tạo nên bộ khung vững vàng, tinh giản nhưng vẫn giữ trọn nét mộc mạc, gần gũi đặc trưng của không gian gỗ cổ truyền.

2. Phối cảnh 3D lầu tứ giác mái chồng diêm

Thông qua những trao đổi tâm huyết với chị gia chủ trẻ tuổi và sự tư vấn chuyên môn từ Nam Thành Phát, mẫu lầu tứ giác cuối cùng được chốt phương án với lối kiến trúc 8 mái chồng diêm đầy uy nghiêm.

Bản thiết kế 3D đã tái hiện chân thực ý đồ của công trình. Dù trên phối cảnh, ngôi lầu hiện lên với nét "nhỏ xinh" nhưng với diện tích lên tới 25m2, công trình khi hoàn thiện sẽ vô cùng bề thế và vững chãi, trở thành điểm nhấn đắt giá giữa khuôn viên sân vườn rộng lớn.

Sau khi tham khảo kỹ lưỡng lời khuyên của Sư Thầy cùng việc xem xét các yếu tố phong thủy bản mệnh, gia chủ đã quyết định lựa chọn phương án kiến trúc lầu tứ giác với 4 mặt kín đáo.

Đây là điểm khác biệt lớn so với đa số các công trình lầu trà hay vọng lâu thông thường (thường để trống 4 mặt). Mẫu lầu này được thiết kế với 4 mặt đều là vách gỗ kín. Điều này không chỉ tạo nên sự riêng tư, ấm cúng, tránh gió lạnh đặc trưng của vùng cao nguyên Lâm Đồng mà còn tạo thế "tọa sơn" vững chắc, giúp tụ khí và mang lại bình an cho gia đạo.

Điểm nhấn "ăn tiền" nhất của công trình chính là kiểu mái chồng diêm với hệ mái đao cong vút, thanh thoát hướng lên trời xanh. Chỉ khi ngước mắt nhìn lên, ta mới cảm nhận trọn vẹn được sự uy nghiêm mà bay bổng của lối kiến trúc nhà gỗ này. Từng chi tiết đầu mái đến từng góc đao đều được chăm chút tỉ mỉ, mềm mại nhưng đầy khí chất.

Hệ mái lầu tứ giác được lợp ngói lưu ly đỏ au. Tại vùng đất Lâm Đồng và khu vực Miền Trung - Tây Nguyên, loại ngói này rất được ưa chuộng bởi khả năng chống chịu tốt với thời tiết khắc nghiệt, nắng gió và mưa nhiều. Sắc đỏ của ngói lưu ly không chỉ nổi bật giữa màu xanh của núi rừng đại ngàn mà còn gợi nhắc đến nét đẹp cung đình Huế xưa, mang lại vẻ đẹp vừa cổ kính, vừa sang trọng.

Cận cảnh họa tiết hệ mái Lầu tứ giác mái đao chồng diêm

>>>  Mời quý vị tham khảo thêm các mẫu Lầu trà - Lầu vọng nguyệt đẹp TẠI ĐÂY

Bao quanh ngôi lầu là hệ thống đèn lồng được bố trí khéo léo tại mỗi cột gỗ. Khi màn đêm buông xuống, ánh đèn vàng ấm áp không chỉ tôn lên từng đường nét hoa văn chạm khắc mà còn biến không gian nơi đây trở nên lung linh, huyền ảo như một bức tranh thủy mặc.

Các vách của ngôi lầu tứ giác là nơi các nghệ nhân Nam Thành Phát phô diễn tài năng. Vách đố măng kết hợp cùng các ô cửa chữ Thọ và họa tiết Ngũ Phúc Lâm Môn mang ý nghĩa cầu mong phúc lộc, trường thọ đến cho gia chủ.

Tất cả họa tiết hoa văn đều được thiết kế và thi công độc quyền bởi Nam Thành Phát. Từng đường nét đục chạm đều đạt độ thanh thoát, sắc sảo, vừa mang hơi thở sáng tạo hiện đại, vừa giữ trọn nét hồn cốt của hoa văn nhà gỗ cổ truyền Việt Nam.

Mẫu lầu tứ giác mái chồng diêm này đang là lựa chọn hàng đầu của nhiều gia chủ mong muốn kiến tạo không gian thờ tự hoặc nghỉ dưỡng đẳng cấp để kịp đón Tết. Hẹn gặp lại quý vị vào cuối năm 2025, khi siêu phẩm này chính thức hoàn thiện, khoác lên mình diện mạo lộng lẫy nhất để cùng gia chủ đón chào Xuân mới 2026.

3. Nam Thành Phát – Đơn vị Thiết kế và Thi công nhà gỗ cổ truyền uy tín tại Việt Nam

Công ty Cổ phần AFP Nam Thành Phát (Nhà gỗ AFP Nam Thành Phát) tự hào là đơn vị uy tín trong lĩnh vực thiết kế và thi công các công trình nhà gỗ cổ truyền như nhà gỗ 3 gian, nhà gỗ 5 gian, các công trình tâm linh, các công trình nhà gỗ trên tầng thượng đẹp, nhà gỗ có hậu cung, nhà thờ họ, nhà thờ giáo họ và các công trình nội thất gỗ tự nhiên cùng các hạng mục phụ trợ trong nhà gỗ.

Tại Nhà gỗ AFP Nam Thành Phát, chúng tôi:

* Tôn trọng và bảo vệ quyền lợi khách hàng trong yêu cầu thiết kế

* Lựa chọn phương án thiết kế và biện pháp thi công tối ưu nhất

* Hoa văn độc quyền, chọn theo yêu cầu và sở thích của gia chủ 

* Thợ gia truyền, máy móc thiết bị, nhà xưởng hiện đại tối tân

* Thi công tỉ mỉ, lắp dựng nhanh chóng, vận chuyển an toàn 

 

>>> Mời quý vị chiêm ngưỡng những hoa văn tinh xảo và sắc nét đã được Nam Thành Phát hoàn thiện và bàn giao cho khách hàng trên khắp cả nước TẠI ĐÂY.

Với đội ngũ kỹ sư, kiến trúc sư và đội ngũ thợ lành nghề tâm huyết cùng phương châm “Thiết Kế Chất Lượng - Thi Công Tỉ Mỉ - Đối Tác Chân Thành”, Nhà gỗ AFP Nam Thành Phát hứa hẹn mang lại cho quý khách hàng những sản phẩm chất lượng và những trải nghiệm tuyệt vời nhất.

Hãy liên hệ ngay với đội ngũ Nhà gỗ AFP Nam Thành Phát để được tư vấn và phác thảo phương án thiết kế nhanh chóng, chuyên nghiệp nhất!

>>> Đừng bỏ lỡ những mẫu thiết kế nhà gỗ cổ truyền đẹp – sang – chất TẠI ĐÂY

>>> Cùng khám phá những dự án thực tế được bàn giao cho khách hàng TẠI ĐÂY.

>>> Tham khảo thêm những video hay về nhà gỗ TẠI ĐÂY.

Xem thêm:

* Nhà gỗ Nam Thành Phát – Đơn vị thi công nhà gỗ cổ truyền uy tín hàng đầu

* Tầm quan trọng của bản vẽ thiết kế trong thi công nhà gỗ cổ truyền| Nam Thành Phát

* Chất lượng dịch vụ của nhà gỗ Nam Thành Phát có tốt không?

* Các bước thi công hoàn thiện một căn nhà gỗ tại Nam Thành Phát

MỌI THÔNG TIN CHI TIẾT XIN LIÊN HỆ:

CÔNG TY CỔ PHẦN AFP NAM THÀNH PHÁT

® Fanpage: Kiến Trúc Nam Thành Phát

Youtube: Nhà Gỗ Nam Thành Phát.

® Hotline: 0836.937.999

Email: arc9.haithinh@gmail.com

® Tư vấn thiết kế trực tiếp: Tổng Giám Đốc - Kiến Trúc Sư Hải Thịnh

MST: 0601197456

Văn phòng thiết kế / Xưởng sản xuất hợp nhất: Km 185 - Khu 3 -Thị trấn Yên Định - Huyện Hải Hậu - Tỉnh Nam Định (nay là xã Hải Hậu, tỉnh Ninh Bình).

Back to top

Nam Thành Phát chuyên thiết kế, thi công nhà gỗ cổ truyền 3 gian, 5 gian, nhà thờ họ, từ đường, nội thất gỗ lim cao cấp tại Nam Định. Hotline 0836.937.999 - Website: kientrucnamthanhphat.com - Xưởng gỗ chuẩn nghề truyền thống Bắc Bộ.